-
有铁芯类-SMU-C55系列
1、高质量材料:高质量的铝材、P级以上精度的线性滑轨、优质的灌胶封装胶水、优质的绕组铜材 2、微米级精度:直线电机采用先进的控制技术和高精度传感器,实现微米级的运动控制精度,满足高端制造领域的精密需求。 3、耐磨材料:直线电机选用高质量材料制造,具有良好的耐磨性和耐腐蚀性,延长使用寿命,减少维护频率,降低维护成本。
全国服务热线:13621558979
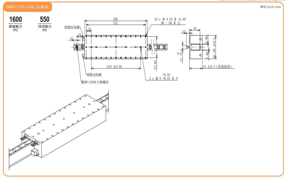
产品优势/ Product parameters
1.散热性能好
2.体积小
3.推力密度大
4.高加减速,重负载
5.采用消弱齿槽力技术,低顿震
产品参数/ Product parameters
公司实力/ company ability
-
-
源头把控品质
•我们坚信“好材料成就好产品”,从源头定义品质标准,长交期物料,供应商处设立独立仓库,99%供应商位置距离在30公里以内,能快速响应,快速交付,通过原材料的严格把控,直线电机推力波动率控制在≤1%,伺服电缸寿命测试后精度衰减<0.5μm,基础性能远超行业平均水平
-
-
生产全流程品控
•我们构建了从材料选型到精密加工、从组装测试到售后调优的完整闭环。2000㎡现代化工厂支持非标定制快速打样,7-10天极速交付周期,制定规范的生产流程,设立专门的质量检测部门或环节,产品品质经过100%老化测试和100%激光干涉仪测量验证,加工件精度100%经过三次元检测
-
-
一站式服务体验
•我们提供超越传统售后的全周期服务生态。售前免费进行产线效率诊断;收到货物三天内,由于到货与定单要求货物数量、品种、规格、包装等情况不符,我们负责换货或补货。随时配合客户现场或者远程调试,定期了解产品使用情况,7x4小时专家在线,让售后成为第二生产力
采购:有铁芯类-SMU-C55系列
- *联系人:
- *手机:
- 公司名称:
- 邮箱:
- *采购意向:
-
*验证码:
跟此产品相关的产品 / Related Products

- 精密XY对位平台-D170系列
- DW定位平台采用DXM无槽直线电机/及盘式DDR为动力,利用交叉滚子导轨与轴环做导向,内高分辨率光栅,实现XYθ三轴联动。是理想的测量仪器和检测设备的定位机构,可用于诸如半导体/液晶相关制造设备和清洁环境下的图像对准处理。

- 精密XY对位平台-D140系列
- DW定位平台采用DXM无槽直线电机/及盘式DDR为动力,利用交叉滚子导轨与轴环做导向,内高分辨率光栅,实现XYθ三轴联动。是理想的测量仪器和检测设备的定位机构,可用于诸如半导体/液晶相关制造设备和清洁环境下的图像对准处理。

- 精密XY对位平台-D112系列
- DW定位平台采用DXM无槽直线电机/及盘式DDR为动力,利用交叉滚子导轨与轴环做导向,内高分辨率光栅,实现XYθ三轴联动。是理想的测量仪器和检测设备的定位机构,可用于诸如半导体/液晶相关制造设备和清洁环境下的图像对准处理。

SMJ 智能传动,非凡品质


全国服务热线

SMJ 智能传动,非凡品质
联系我们
13621558979
快捷导航
解决方案
产品中心
联系我们
江苏省苏州市昆山市玉山镇台虹路9号011号车间4号
JX_SMJ@outlook.com
0512-65870766
扫一扫 了解我们



